milan米兰(中国)体育官方网站
电梯配件制造专家
milan米兰(中国)体育官方网站
milan米兰(中国)体育官方网站
关于我们
关于我们
公司概况
成长历程
企业文化
企业荣誉
新闻中心
新闻中心
公司动态
行业动态
产品展示
产品展示
轿厢系统
重量平衡系统
导向系统
曳引系统
安全保护系统
门系统
维保配件
工程机械
生产服务
生产服务
生产中心
研发中心
软件应用
营销服务
营销服务
合作伙伴
客户服务
联系我们
联系我们
联系我们
电子地图
您的位置:
milan米兰(中国)体育官方网站
>
产品展示
>
门系统
查看分类
门系统
轿厢系统
重量平衡系统
导向系统
曳引系统
安全保护系统
门系统
维保配件
工程机械
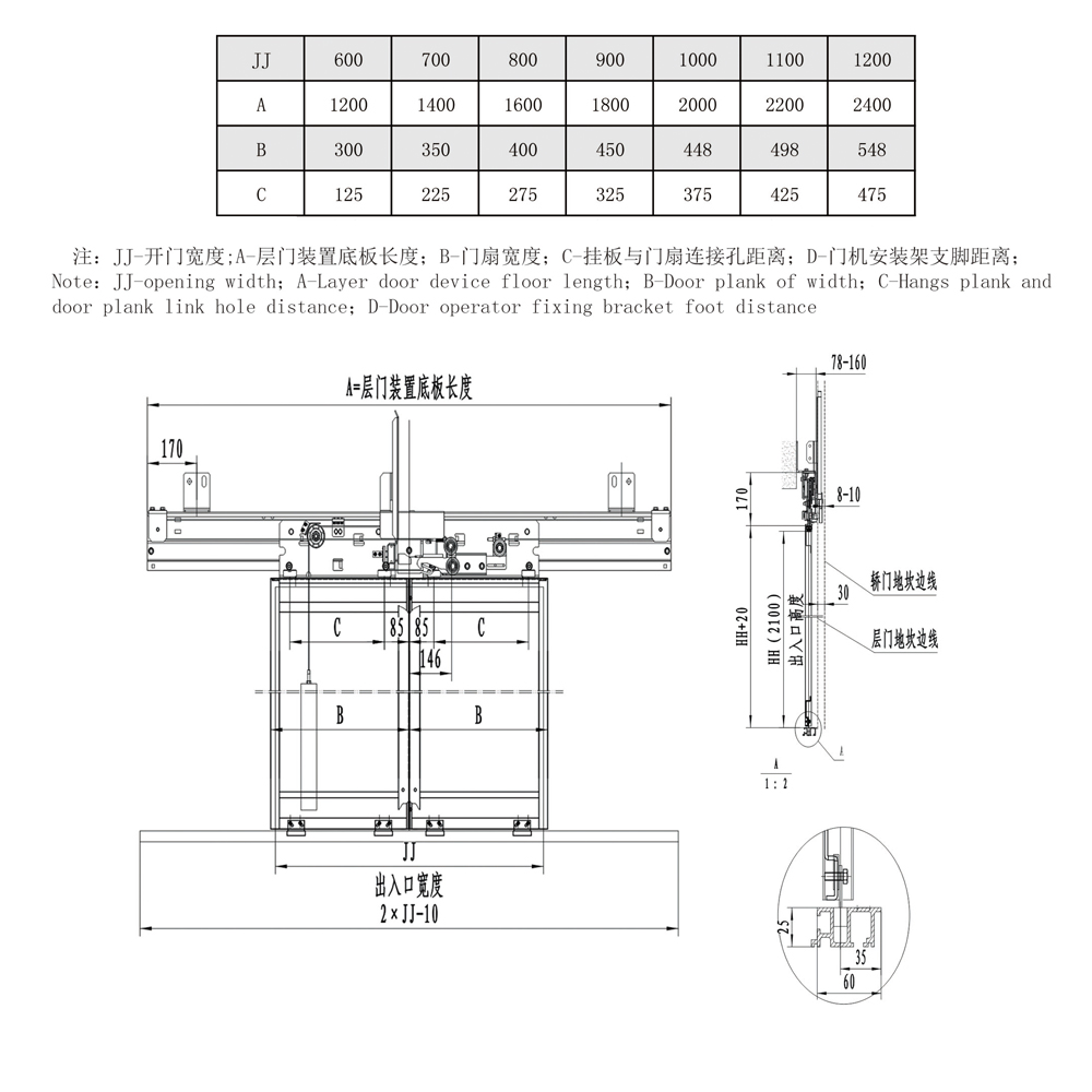
TYCM-161-01 中分层门装置
上一条:
TYVS-III-01 旁开双折异步门机
下一条:
TYVS-II-01 中分异步门机
milan米兰(中国)体育官方网站
电话咨询
QQ客服
在线地图
电话:0513-69889623
邮编:226600 E-mail:domestic_sales@nttongyang.com
版权所有:milan米兰(中国)体育官方网站 地址:江苏省海安市高新区镇南路555号
milan体育手机中国有限公司
|
亚新注册
|
milan米兰体育(中国区)体育官方网站-登录入口
|
米乐官方网页版
|
开云登陆入口-开云(中国)
|
乐动网页版
|
开云中国有限公司
|
milan米兰(中国)体育官方网站
|